欢迎进入衡水路泽金属制品有限公司网站!
关于路泽
|
联系我们
网站首页
产品中心
成功案例
公司简介
新闻中心
产品检测
车间实景
在线反馈
联系我们
路泽产品列表
建筑减隔震产品
上海抗震球型钢支座
上海铸钢节点
上海滚动支座
上海双向滑动抗震支座
上海铅芯隔震支座
上海单向滑动抗震支座
上海固定型抗震铰支座
上海钢结构减震支座
上海大转角抗拔支座
上海弹性减隔震支座
桥梁减隔震产品
上海水平分散力支座
上海盆式支座
上海球型支座
上海高阻尼橡胶支座
上海隔震橡胶支座
上海摩擦摆减隔震支座
阻尼器
上海粘滞阻尼器
上海调谐质量阻尼器生产厂家
上海屈曲约束支撑
桥梁伸缩缝
上海GQF-C型伸缩缝
上海GQF-D型伸缩缝
上海GQF-F型伸缩缝
上海GQF-E型伸缩缝
上海GQF-MZL模数式伸缩缝
上海梳齿型伸缩缝
止水系列
上海橡胶止水带
上海钢板腻子止水带
上海钢板止水带
上海遇水膨胀橡胶止水带
橡胶减震产品
上海网架橡胶支座
上海橡胶减震块
上海设备减震垫
当前位置:
路泽金属制品首页
>
产品检测
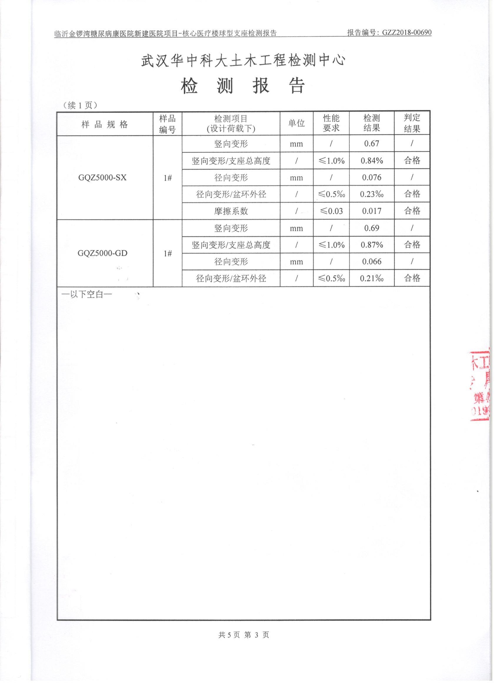
检测报告1
检测报告2
检测报告3